
应用与特点:
BLF-T18光纤炉内激光检测器是我公司研制的新一代大功率炉内激光检测器。它特别针对冶金行业恶劣的工作现场,采
用激光峰值功率达 150W 的超大功率半导体红外激光管作为发射源,因而具有极强的穿透能力和极远的动作距离。
BLF-T18光纤炉内激光检测器采用对射形式。发射器电路产生调制的 300Hz 红外激光。接收器电路同样调制到该频率
接收。如果正常接收到信号,则接收能量指示灯亮,输出一状态。如果未接收到发射信号(如检测区域中有物体通过),
则接收能量指示灯不亮,输出相反状态。由于采用了高频红外调制光,因而该开关抗干扰性好,动作可靠。
型号说明:

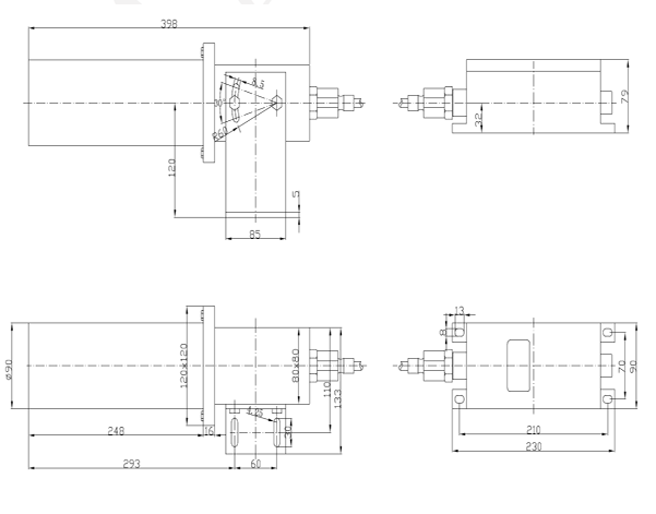
安装外形图:

技术参数:

版权所有 © 2019-2022 常州百钢电气设备有限公司 苏ICP备19030951号