BG-FLD الألياف البصرية في كاشف ليزر الفرن
كاشف ليزر فرن الألياف البصرية هو جيل جديد من كاشف ليزر الفرن عالي الطاقة الذي طورته شركتنا. إنه يستهدف بشكل خاص موقع العمل القاسي للصناعة المعدنية ، باستخدام أنبوب ليزر الأشعة تحت الحمراء لأشباه الموصلات عالي الطاقة مع طاقة ذروة ليزر تبلغ 150 واط كمصدر للانبعاثات ، لذلك لديه قدرة اختراق قوية للغاية و مسافة تشغيل طويلة جدًا.
كاشف الليزر في فرن الألياف البصرية يعتمد شكل شعاع. تنتج دائرة الإرسال ليزر الأشعة تحت الحمراء 300 هرتز المعدل. تقوم دائرة الاستقبال أيضًا بتعديل هذا التردد لاستلامه. إذا تم استقبال الإشارة بشكل طبيعي ، يكون ضوء مؤشر الطاقة المستقبِل قيد التشغيل ، ويتم إخراج الحالة. إذا لم يتم تلقي إشارة إرسال (مثل كائن يمر عبر منطقة الكشف) ، فلن يضيء مؤشر طاقة الاستقبال ، وسيتم إخراج الحالة المعاكسة. نظرًا لاستخدام الضوء المعدل بالأشعة تحت الحمراء عالي التردد ، فإن المفتاح لديه مقاومة جيدة للتدخل وتشغيل موثوق.
المعايير الفنية:
نموذج BLF-T18 / L نقل BLF-T18 / R استقبال
نوع الليزر ليزر أشباه الموصلات بالأشعة تحت الحمراء ، الطول الموجي 905nm
نقل انتاج الطاقة الذروة 150W
فئة السلامة الفئة الثالثة ب
وضع الكشف من خلال شعاع نوع
مسافة الكشف ≤50m
الجسم المكتشف ≥Ø30mm
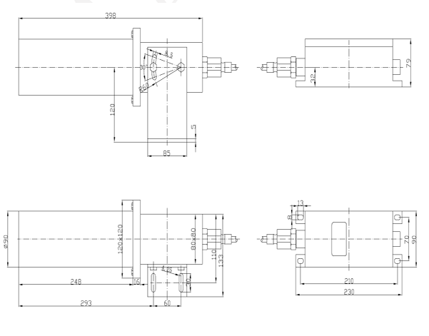
شكل السكن مربع (نوع الألياف البصرية)
درجة حرارة التشغيل رأس بصري: -25C ~ + 600C ؛ وحدة التضخيم: -25C ~ + 70C
مزود طاقة التشغيل AC220V (1�10 ٪) V ، DC24V (1�10 ٪) V
استهلاك الطاقة ≤14W
شكل الإخراج MOS تتابع الإخراج: Z (W) فتح عادة AC250V 0.2A ، DC30V 0.5A
ترحيل الإخراج: Z عادة مفتوحة AC250V 5A ، DC30V 5A
مستوى 24V PNP مفتوح عادة: C (P) ؛ PNP مغلقة عادة: D (P) الحمل الحالي 100mA
NPN مفتوحة عادة: C (N) ؛ NPN مغلقة عادة: D (N) الحمل الحالي 100mA
وقت الاستجابة إشارة العقدة ≤100ms
إشارة المستوى ≤15ms
مؤشر الطاقة: LED (أخضر) الطاقة: LED (أخضر) ؛ العمل: LED (أصفر)
إرسال إنذار الفحص الذاتي للطاقة: LED (أحمر) تلقي إشارة إنذار الطاقة: LED (أحمر)
نقل الطاقة الذاتي الاختيار: 5-قطاع الصمام (الأخضر) تلقي الطاقة الذاتي الاختيار: 5-قطاع الصمام (الأخضر)
عزل DC500V ، ≥20MΩ
تدخل مضاد للضوء 10000Lx
وزن 7KG




