Сканирующий металлодетектор BG-HMDS
Этот детектор широко используется, в основном для отслеживания любой формы металла (пластина, шпилька, провода, штрих и т.д.) в непрерывном литье и горячей прокатке.
Этот детектор является детектором горячего металла сканирующего типа, который может обнаружить даже очень небольшие части горячего металла в поле зрения детектора. Поэтому детектор может быть установлен очень далеко от измеряемого объекта. Этот детектор может обнаруживать объекты с минимальной температуро
Применение и особенности:
Этот детектор широко используется, в основном для отслеживания любой формы металла (пластина, шпилька, провода, штрих и т.д.) в непрерывном литье и горячей прокатке.
Этот детектор является детектором горячего металла сканирующего типа, который может обнаружить даже очень небольшие части горячего металла в поле зрения детектора. Поэтому детектор может быть установлен очень далеко от измеряемого объекта. Этот детектор может обнаруживать объекты с минимальной темературой 200 ℃.
Этот детектор использует OLED-дисплей, а различные параметры детектора полностью отображаются на экране, что позволяет пользователям легко понять состояние работы на один взгляд. Принцип:
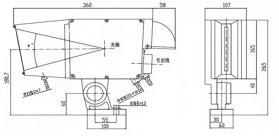
Принцип сканирования
Оптическая область этого детектора сканируется вращающимся барабаном с многоугольным зеркалом. Если горячий металл проходит через поле зрения детектора, обнаруженный инфракрасный свет отражается на фотоэлектрический элемент, как показано на следующей рисунке:

Доступны три вертикальных угла поля зрения: 10°, 30° и 50°.
Горизонтальный угол обзора (до 3 градусов) можно регулировать через светозащитную пластину на защитной крышке детектора.
Независимо от того, находится ли весь или частично горячий металл в домене сканирования, детектор может работать.
Фотодетектор
Этот детектор использует фотодетектор арсенида галлия индия. Его спектральный диапазон ответа может обнаруживать металлическое тепловое излучение до 200 ℃, и в сочетании с принципом многогранного зеркального сканирования он имеет следующие характеристики:
1. После того как горячий металл покидает зону сканирования, он может быстро восстановить и сократить время пребывания выходного сигнала.
2. Соотношение сигнал-шум улучшено. Даже на фоне инфракрасного отражения или на фоне теплового излучения роликового конвейера все еще можно обнаружить цели с низкой температурой.
3. Использование усиления импульсного сигнала может эффективно уменьшить температурный дрейф датчика.
Автоматическое управление пороговым гистерезом действия
Порог действия этого детектора имеет функцию регулирования гистереза, а первоначальный порог действия может быть регулирован через потенциометр на панели управления. Когда интенсивность сигнала энергии излучения теплового металла превышает порог действия, порог действия автоматически уменьшается. После того, как термальный металл уходит, порог действия вернется к первоначальному значению. Эта характеристика гистереза повышает стабильность работы детектора, предотвращая воздействие на датчик черных пятен, водного пара, шкалы оксида железа и неравномерной целевой температуры.

Установка и отладка:
Расстояние установки
Расстояние между вертикальной зоной обнаружения данного детектора и целью представляет собой функциональное отношение, соответствующее углу сканирования (10 ° 30 ° 50 °), как показано на следующей рисунке:

Принцип выбора расстояния установки таков:
Для целей с чрезвычайно высокими температурами следует выбирать максимально возможное расстояние установки, чтобы избежать повреждения продукта, вызванного тепловым излучением.
Для целей с низкой температурой или низким коэффициентом инфракрасного излучения расстояние установки должно быть выбрано как можно ближе, чтобы обеспечить достаточное соотношение сигнала и шума.
Примечание: Цель, которая должна быть обнаружена, не обязательно должна полностью заполнить сканирующее поле зрения детектора. Пока любая часть находится в поле зрения сканирования, этот детектор может надежно обнаружить ее.
Рекомендуемое расстояние установки между детектором и различными целями показано в следующей таблице:
Проводные пруты (5 мм до 12 мм): 0,2 м до 3,0 м.
Бары (10 × 10 мм до 40 × 40 мм): 0,2 м до 4,0 м.
Билет: от 0,5 м до 6,0 м.
Большой billet: >2.0m.
Полоса: 0,6 м до 2 м.
Лист: 1,0 м до 6,0 м.
Толстая пластина: 1,0 м до 8,0 м.
Пластина: >2,0 м.

