Металлодетектор BG-HMDA
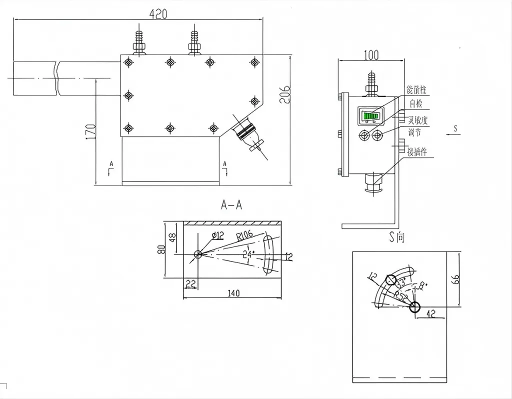
Детектор горячих металлов (функция отображения значения энергии) в основном используется в системе металлургической промышленности. Благодаря обнаружению высокотемпературной детали, он может судить о движущемся положении детали и выходить сигнал переключателя управления.
Если вам нужен этот продукт, нажмите, чтобы проконсультироваться!
Product Details
Product Details
Детектор горячего металла (функция отображения энергетической величины) имеет следующие характеристики:
Рабочее питание:
Рабочая температура:
Температура детектирования:
Дальность детектирования:
Двухцветный индикаторный свет:
Интенсивность сигнальной энергии:
Реле выходное (Z)
Форма выхода:
Самодиагностика:
Related Products

